Skip to content
Moon Landing
About
Application
Camp Infrastructure
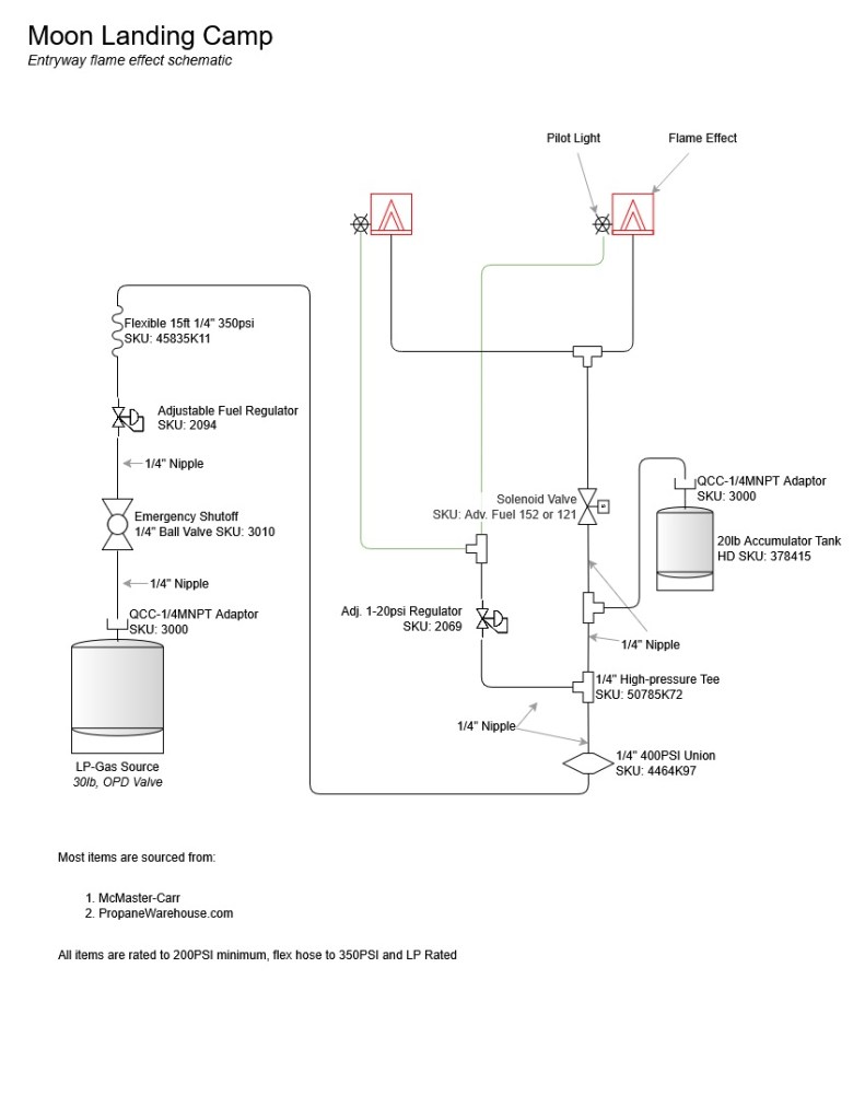
Schematic
The CarS
Burning Man Resources
Schematic
Loading Comments...
Write a Comment...
Email (Required)
Name (Required)
Website
Subscribe
Subscribed
Moon Landing
Sign me up
Already have a WordPress.com account?
Log in now.
Moon Landing
Subscribe
Subscribed
Sign up
Log in
Copy shortlink
Report this content
View post in Reader
Manage subscriptions
Collapse this bar